
一、GIS常見故障
GIS設備運行可靠性高、維護工作量小、檢修周期長的優點已體現出來。但也先后出現過一些故障,主要表現在以下幾方面:
1.SF6氣體泄露
這類故障通常發生在組合電器的密封面、焊接點和管路接頭處。主要原因是由于密封墊老化,或者焊縫出現砂眼引起。每年因此需要對GIS補充大量的SF6氣體來保證正常工作壓力。這類故障比較普遍。
2.SF6氣體微水超標
運行時斷路器氣室SF6氣體微水量要 ,其他氣室 。SF6氣體含水量太高引起的故障易造成絕緣子或其他絕緣件閃絡。微水超標的主要原因是通過密封件泄露滲入的水份進入到SF6氣體中。
3.開關故障
斷路器、負荷開關、隔離開關或接地開關等元件的氣體擊穿。還有動、靜觸頭在合閘時偏移,引起接觸不良。
4.GIS內部放電
由于制造工藝等原因,在GIS內部某些部件處于懸浮電位,導致電場強度局部升高,進而產生電暈放電,GIS中金屬雜質和絕緣子中氣泡的存在都會導致電暈放電或局部放電的產生。
5.液壓機構出現滲漏油或打壓頻繁等故障
出現這類故障大多是由于液壓機構密封圈老化,或安裝位置偏移、或儲壓筒漏氮等原因引起。這類故障在GIS中比較普遍。
二、傳統診斷方法
傳統的診斷方法利用物理和化學的原理和手段,通過伴隨故障出現的各種物理和化學現象,直接檢測故障例如利用振動、聲、光、熱、電、磁、射線、化學等多種手段,觀測其變化規律和特征,用以直接檢測和診斷故障。這種方法形象、快捷、十分有效,但只能檢測部分故障。
1.機械振動法
利用機械振動法檢測局部放電,是一種不停電的監測技術。其基本原理是一旦有局部放電發生,就會產生振動,在設備外壁安裝加速度測量儀很容易檢測出來。因此,檢測局部放電可以從探測外殼上的機械振動入手。
氣體局部放電會產生一定的振動波,經過傳遞后會在金屬外殼上引起輕微振動,采用敏感度高的加速度傳感器有可能探測出這種信號,但設備操動機構動作及運行中的噪聲會影響對局部放電的監測。區別局放信號與干擾信號的方法有用帶通濾波器除去設備自身的振動信號和周圍干擾信號的低頻成分,以及電氣干擾信號的高頻成分;進行輸入信號的基準值判斷,將某一定數值以上的信號作為干擾信號除去;進行與試驗電源同期的脈沖調制,對波形的絕對值進行平均化處理調整其周期性,局放信號具有明顯周期性,而干擾信號波形是無周期的,以此將二者區分開。
2.檢測管檢測法
SF6氣體經過長期運行或內部放電會分解出SF4、SOF2、HF、SO2等氣體,對這些成分的監測,可以診斷出設備是否有放電發生,或是監測原理類似于變壓器油的色譜分析對運行中氣體組分進行檢測,有助于了解運行中的運行狀態和可能潛伏的故障。
其工作原理是:通過檢測裝置從高壓電氣設備中提取一定體積的SF6氣體,分別通過SO2、HF檢測管,這些分解產物會在檢測管中發生化學反應改變顏色,可根據變色柱的長度,讀出SF6氣體中的SO2、HF的濃度。
3.超聲波檢測法
當電氣設備內部發生局部放電時,在放電處產生超聲波向四周傳播,一直達到電氣設備容器的表面。在設備外壁裝上超聲波傳感器,可以檢測此電信號來判斷設備內部是否發生局放。超聲波探測器檢測的特點是抗干擾性較強,使用方便,可以在運行中和耐壓試驗時檢測絕緣內部的放電,傳感器與設備的電氣回路無任何聯系,而且便于故障定位。
4.電測法
利用GIS帶電體與缸體的靜電電容進行測量,或利用GIS帶電部分與缸體保持絕緣的絕緣子的靜電電容進行局放監測。使用該方法時可以采用電容耦合法對高壓導體進行測量,也可以對外殼的接地線進行測量。
用環氧支撐絕緣子中預埋的金屬圈來進行測量,金屬圈與高壓導體之間的電容起耦合電容的作用。
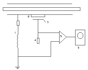
如支撐絕緣子中無預埋的金屬圈,則可用圖1-1所示的外部電極法進行測量。在外殼上覆蓋一薄絕緣層和一電極片,構成對外殼的電容。由于外殼的接地線有電阻和電感,因此在等值頻率很高的局部放電電流流過接地線時,外殼會有一對地電位,通過上述電容耦合加到阻抗Z上,阻抗Z上信號經放大后送到顯示儀器。

測量設備外殼接地線中的局部放電脈沖,可用帶鐵芯的羅果夫斯基線圈做成的傳感器。
三、設備狀態判斷
首先是利用上述各種方法對GIS進行診斷,通過伴隨故障出現的各種物理和化學現象,直接檢測故障。例如:可以利用振動、聲、光、熱、電、磁、射線、化學等多種手段,觀測其變化規律和特征,用以直接檢測和診斷故障。這種方法形象、快速,十分有效,但只能檢測部分故障。
其次,利用故障所對應的征兆來診斷故障是最常用、最成熟的方法。在診斷過程中,首先分析設備運轉中所獲取的各種信號,提取信號中的各種特征信息,從中獲得與故障相關的征兆,利用征兆進行故障診斷。由于故障與各種征兆之間并不存在簡單的一一對應關系,因此,利用征兆進行故障診斷往往是一個反復探索和求解的過程。
在上述傳統的診斷方法的基礎上,將人工智能的理論和方法用于故障診斷,發展智能化的診斷方法,是故障診斷的一條新的途徑,目前已廣泛應用。
四、故障處理方法
判斷出GIS的故障后,可采用下列相應的處理措施:
(1)對于SF6氣體泄漏,通常先用SF6檢漏儀對漏氣間隔進行檢測,找出漏氣點。若為焊縫漏氣,將SF6氣體回收后進行補焊;若為密封接觸面漏氣,通常在回收SF6氣體后更換密封圈。
(2)對于SF6氣體微水超標,通常辦法為回收SF6氣體后,用氮氣反復沖洗、干燥、抽真空,再充入新SF6氣體。
(3)對于動、靜觸頭接觸不良或母線筒放電等故障,則必須停電解體后查明原因,針對不同故障,更換相應的備件。
(4)對于液壓機構滲漏油或打壓頻繁故障,在停電后需將液壓機構泄壓,查明原因,更換相應的油封。