
一、電力變壓器空載負載試驗接線方法
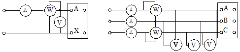
對于單相電力變壓器,可采用圖1-1所示的接線進行空載試驗。對于三相電力變壓器,可采用圖1-2和圖1-3所示的兩瓦特表法進行空載試驗。圖1-2為直接測量法,適用于額定電壓和電流較小,用電壓表和電流表即可直接進行測量的電力變壓器。當電力變壓器額定電壓和電流較大時,必須借助電壓互感器和電流互感器進行間接測量,此時采用圖1-3接線方式。

空載試驗時,在電力變壓器的一側(可根據試驗條件而定)施加額定電壓,其余各繞組開路。
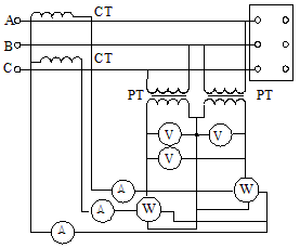
短路試驗的接線方式和空載試驗的接線基本相似,所不同的是要將非加壓的線圈三相短接而不是開路。對于三線圈的變壓器,每次試一對線圈(共試三次),非被試線圈應為開路。
短路試驗時,在電力變壓器的一側施加工頻交流電壓,調整施加電壓,使線圈中的電流等于額定值;有時由于現場條件的限制,也可以在較低電流下進行試驗,但不應低于IN/4。

二、試驗要求和注意事項
(1)試驗電壓一般應為額定頻率、正弦波形,并使用一定準確等級的儀表和互感器。如果施加電壓的線圈有分接,則應在額定分接位置。
(2)試驗中所有接入系統的一次設備都要按要求試驗合格,設備外殼和二次回路應可靠接地,與試驗有關的保護應投入,保護的動作電流與時間要進行校核。
(3)三相電力變壓器,當試驗用電源有足夠容量,在試驗過程中保持電壓穩定。并為實際上的三相對稱正弦波形時,其電流和電壓的數值,應以三相儀表的平均值為準。
(4)聯結短路用的導線必須有足夠的截面,并盡可能的短,連接處接觸良好。
三、試驗結果的計算
1.空載試驗結果的計算
三相電力變壓器用上述三瓦特表法測量時,其空載電流和空載損耗可按下式進行計算:
I0=(KIAI'OA+KIBI'OB+KICI'OC)/3
U'=(KVABU'AB+KVBCU'BC+KVCAU'CA)/3
I0%=(UN/U')n1(I0/IN)×100
P0=(UN/U')n2(P1+P2)KIKVKW
式中:KIA、KIB、KIC分別是CT的變比;KVAB、KVBC、KVCA分別是PT的變比;IOA、IOB、IOC是三相空載電流的實測值;UAB、UBC、UCA是三相施加試驗電壓;I0空載電流實測平均值;U'試驗施加線電壓平均值;UN、IN被試線圈額定線電壓和額定電流;KI、KV、KW是電流、電壓、瓦特表本身的倍數;
P1、P2兩個瓦特表測得的損耗功率;I0%算得的空載電流百分數;
P0 算得的空載損耗;
n1、n2 冪次,決定于磁路硅鋼片的種類,可從專門的表格中查出。
2.短路試驗結果的計算
三相電力變壓器用上述三瓦特表法測量時,其負載損耗和短路電壓可按下式進行計算:
I'K=(I'KAKIA+I'KBKIB+I'KCKIC)/3
P'K=(P'KAKIAKVABKWA-P'KCKICKVBCKWC)
U'K=(KVABU'KAB+KVBCU'KBC+KVCAU'KCA)/3
μK%=(UK/UN)(IN/I'K)×100
式中:I'KA、I'KB、I'KC是三相短路電流實測值;
KIA、KIB、KIC三相CT的變流比;
PKA、PKC是反映A和C相電流測得的損耗功率;
KVAB、KVBC、KVCA是AB、BC和CA的PT變比;
KWA、KWC是瓦特表本身的倍數。