
系統電容電流是指系統在沒有補償的情況下,發生單相接地時通過故障點的無功電流。測量方法很多,這里介紹幾種常用的方法。
一、單相金屬接地法
單相金屬接地又分為投入消弧線圈補償接地和不投入消弧線圈兩種。
1.不投入消弧線圈
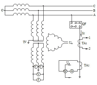
不投入消弧線圈(即中性點不接地)的單相金屬接地測量,其接線如圖1-1所示,圖中,QF為接地斷路器;TV為測量用電壓互感器;TA1、TA2為保護和測量用電流互感器;W為低功率因數功率表,用以測量接地回路的有功損耗;TA1的1、2端子接QF的過流保護。電流、電壓向量圖如圖1-2所示。


試驗是在系統單相接地下進行的,當系統一相接地時,其余兩相對地電壓升為線電壓。因此,在測量前應消除絕緣缺陷,以免在電壓升高時非接地相對地擊穿,形成兩相接地短路事故。為使接地斷路器能可靠切除接地電容電流,須將三相觸頭串聯使用,且應有保護。若測量過程中發生兩相接地短路,要求QF能迅速切斷故障,其保護瞬時動作電流應整定為IC的4~5倍。
合上接地斷路器QF,迅速讀取圖中所示各表計的指示數值后,接地開關應立即跳閘。 所用表計均不得低于0.5級。測量功率,應用低功率因數功率表。由于三相對地電容不等,一相單相接地難以測得正確的阻尼率,需三相輪流接地測量,取三次測量結果的算術平均值。
測量結果的計算:
Icp=P/ù0
Icq=√(I2C-I2cp)
d%=Icp/Icq×100%
上三式中Icp——接地電流的有功分量(安);
Icp——接地電流的無功分量(安);
Ic——系統總接地電流(安);
P——接地回路的有功損耗(瓦);
ù0——中性點不對稱電壓(伏);
d%——系統的阻尼率。
若測量時的電壓和頻率不是額定值,則需將測得的電流 折算到額定電壓和額定頻率下的數值,即
ICe=IC×(Ue/Uav)×(?e/?)
式中 ICe——電壓和頻率為額定值時的系統接地電容電流(安);
?e——額定頻率(赫茲);
Ue——額定電壓(伏);
Uav——三相電壓(線電壓)的平均值(伏)。
由于這種方法,在測量過程中,非接地兩相的電壓要升高,一旦發生絕緣擊穿,接地斷路器雖能切斷短路,但由于沒有補償,另一接地點的電弧如不能熄滅,可能擴大事故。同時由于單相接地產生負序分量,接地電流中將有較大的諧波分量,影響測量結果的準確度,所以一般不采用這種方法。
2.投入消弧線圈
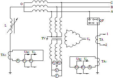
中性點投入消弧線圈時,利用單相金屬接地,測量系統的電容電流的原理接線如圖1-3所示。圖中1、2端子接過流保護,其值整定為接地電流的4~5倍,瞬時跳閘。接地時的電流電壓向量圖如圖1-4所示。


按圖1-3的試驗接線,測量出補償電流和殘余電流回路的有功功率及無功功率,從而計算出補償電流、殘余電流的有功分量及無功分量、系統的電容電流和阻尼率。
測量結果的計算:

式中I'CP——殘余電流的有功分量(安);
I'cq——殘余電流的無功分量(安);
ILP——補償電流的有功分量(安);
ILq——補償電流的無功分量(安);
ICP——電容電流的有功分量(安);
Icq ——電容電流的無功分量(安);
Ic——電容電流的有效值(安);
P1、P3——功率表W1、W3測的殘余電流和補償電流回路的有功功率(瓦);
Q2、Q4——功率表W2、W4測的殘余電流和補償電流回路的無功功率(乏);
d%——被測系統的阻尼率;
K1、K2——電流互感器LH1、LH2的變流比。
這種測量方法,比不投入消弧線圈的金屬接地安全準確,也更符合實際運行狀態。其注意事項:
(1)試驗前應消除系統的絕緣缺陷;
(2)試驗中所用儀表應不低于0.5級,電壓、電流互感器不低于1級;
(3)接地斷路器三相觸頭串聯使用,并有兩相接地保護,其動作電流整定為單相接地電容電流的4~5倍,瞬時跳閘;
(4)測試時,系統只保留測量用的一臺消弧線圈,其余的應退出運行;
(5)根據估計或用其他方法測量的系統電容電流,確定測試用消弧線圈的分頭,使其盡量靠近(不能達到)全補償狀態;
(6)如果測量時系統的電壓和頻率不是額定值,則計算出的電容電流,應按前面相同的方法折算為額定電壓及額定頻率時的電流。
二、中性點外加電容法
中性點外加電容法測量系統的電容電流,是在系統無補償的情況下,在變壓器的中性點對地接入適當的電容量,測量中性點的對地電壓,然后用計算的方法間接得到系統的電容電流。外加電容一般取系統估算的對地電容C=(CA+CB+CC)的1/2倍、1倍、2倍。在每個電容下測量一次中性點的對地電壓(位移電壓),根據系統的不對稱電壓和測得的各個位移電壓,計算系統的電容電流,然后取這些電流的平均值作為該系統的電容電流。中性點外加電容等值電路如圖1-5所示。

由于三相對地電容CA、CB、CC和外加電容Co的損耗電阻很小,可以忽略不計。對中性點用基爾霍夫第一定律,可得中性點位移電壓ù01,即
(ùA+ù01)jωCA+(ùB+ù01)jωCB+(ùC+ù01)jωCC=0
ùACA+ùBCB+ùCCC+(CA+CB+CC)ù01=0
于是ù01=-(ùACA+ùBCB+ùCCC)/(CA+CB+CC+C0) (13-14)
當C0=0時,中性點電壓即是不對稱電壓
ù0=-(ùACA+ùBCB+ùCCC)/(CA+CB+CC) (13-15)
將式(13-14)除以式(13-15)得
ù01/ù0=(CA+CB+CC)/(CA+CB+CC+C0)
因為C=(CA+CB+CC)
所以ù01=ù0[C/(C+C0)];C=(C0ù01)/(ù0-ù01) (13-16)
系統電容電流為IC=ωCUφ (13-17)
式(13-16)及式(13-17)中的C為系統對地電容,由式(13-17)可見,根據外加電容C0和測出的中性點不對稱電壓U0及位移電壓U01,便可計算出系統的電容電流IC。
從式(13-17)還可知,C與系統頻率無關,即使中性點有高次諧波電壓,也不影響測量結果。因此,中性點外加電容法是現場常用的測量方法,其原理接線如圖1-6所示。

圖中K1為中性點開關;K2為靜電電壓表V的開關;K3為外加電容C0的開關;C'為保護電容,電容量為幾千微微法,電壓不低于被試系統的相電壓;g為放電管;外加電容C0的額定電壓不低于2千伏。
測量步驟:
(1)按實際的試驗接線圖接入測量設備及靜電電壓表;
(2)合上K1、K2,讀取中性點不對稱電壓U0;
(3)合上K3,即投入外加電容C0,讀取此時中性點位移電壓U001,讀完立即斷開K3;
(4)另接一預選的外加電容,再合上K3,讀取此時中性點的位移電壓U012、U013……等。照此方法,直至測完預選的外加電容下的每個位移電壓后,立即斷開K3、K2、K1。
根據測得的中性點位移電壓,和在不同外加電容下測量的位移電壓,按式(13-16)計算系統的三相對地電容C。取各次計算電容的平均值作為該系統的對地電容,然后以電容平均值按式(13-17)計算系統的電容電流IC。
測量時,操作人員應帶絕緣手套并站在絕緣墊上。